231-5QD32-0XB0

Specifications:
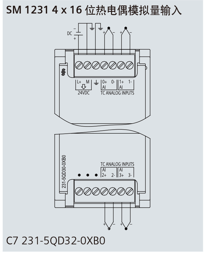
Product Description: analog input, SM 1231 TC, 4 AI thermocouples
Dimensions W x H x D(mm): 45 x 100 x 75
Wiring:


Product Description: analog input, SM 1231 TC, 4 AI thermocouples
Dimensions W x H x D(mm): 45 x 100 x 75

Send Us a Message
Load Message...